一、氮化鎵的發展與前景
5G、6G、小行星紅外光通信網、紅外光預警雷達將獲得半導體芯片設備行業芯片產品大創新性的影響,隨通訊環保設備頻段向高頻遷出,移動通信網基站和紅外光通信網環保設備都要支技高頻耐磨性的微波加熱rf射頻元電子器件器件封裝。與Si基半導體芯片設備行業芯片想必,用于再者代半導體芯片設備行業芯片的是,GaN都具有更多自動化遷出率、趨于穩定自動化極限速度和損壞靜電場的勝機將慢慢的呈現。又是這類勝機,以GaN為是的再者代半導體芯片設備行業芯片產品和元電子器件器件封裝因達標率的溫度過高高壓力及高頻的特點,被看做是電力工程自動化和紅外光微波加熱rf射頻科技的重點。 隨之時間的推移GaN能力的更趨完善,外國人就開始將GaN瓦數配件向外空間APP尋址,徹底的力促寬禁帶半導裝修材料為條件的GaN配件的自身強勢,加工成總重更輕、職能更雄厚的外空間APP的電商無線主設備。要根據Yole Development 的調研提綱參數展示,2030年全世界GaN瓦數市揚經營規模約為4500萬加元,預測2026年高達12億加元,2020-2026年CAGR力爭做到70%。從內部看,GaN是近些年能一并達成高頻、高效率的、大瓦數的是性配件,是的支撐“新基礎建設規劃”建設規劃的重要性內在部位,有利于促進“雙碳”要求達成,力促黃綠色低碳環保轉型,在5G通信基站、新清潔生物質能源快充樁等新基礎建設規劃是下表中有一定的APP。隨之時間的推移國政策措施的力促和市揚的銷售市場中需求,GaN配件在“快充”視頻背景下,力爭隨在我國劃算的恢復和的消費者電商無線非常大的的水準市揚而源源不斷破圈。中國未來,隨之時間的推移新基礎建設規劃、新清潔生物質能源、新的消費者等行業的維持力促,GaN配件在內部市揚的APP必定會出現很快提升的現狀。

二、氮化鎵器件工作原理
經典的GaN HEMT電子元器件架構以下幾點圖如下,從上往上面由大到依次為:柵極、源極、漏非常子、介電層、勢壘層、緩解層、各類襯底,并在AlGaN / GaN的沾染面演變成異質結架構。因為AlGaN裝修用料極具比GaN裝修用料更寬的帶隙,在去往和平時,異質陰陽師小僧面搭界處能用產生內彎,容易造成導帶和價帶的不聯續,并演變成1個三邊形形的勢阱。很多的電子靠積蓄在三邊形新形勢阱中,不可僭越至勢阱外,電子的橫著鍛煉被受到限制在該對話框的薄層中,該薄層被稱作二維電子氣(2DEG)。 當在元元件的漏、源兩端增加直流端交流電壓VDS,溝道內引發側向靜電磁場。在側向靜電磁場效應下,二維電商氣沿異質結界卡面做好傳遞,實現輸送工作直流交流電壓IDS。將柵極與AlGaN勢壘層做好肖特基學習,使用增加其他規格的柵極直流端交流電壓VGS,來把控好AlGaN/GaN異質結中勢阱的深入,轉換溝道中二維電商氣黏度,故而把控好溝道內的漏極輸送工作直流交流電壓啟閉與關斷。二維電商氣在漏、源極增加直流端交流電壓時就才可以有效果地傳輸電商,兼具很高的電商搬遷率和導電性,這就是GaN元元件才可以兼具優渥穩定性的基礎理論。

三、氮化鎵器件的應用挑戰
在微波射頻音箱體統的中,耗油率控制控制開關元電子元集成電路芯片因此須得耐受力長時期髙壓剪切力,這對于GaN HEMT一般而言其非常好的耐髙壓力和很快的控制控制開關時速是可以將一樣感應交流電電值行政等級分類的外接電源體統的走入高些的平率。其實在髙壓app下其中一個嚴重因為限制GaN HEMT功能的困難是感應交流電電倒塌想象(Current Collapse)。 感應交流電電倒塌稱為作動向導通功率熱敏電阻衰退,即元電子元集成電路芯片交流電檢驗時,因為強磁場的不停沖擊試驗后,飽和點感應交流電電與最大的跨導都產生變低,域值感應交流電電值和導通功率熱敏電阻出顯提升的進行實驗想象。這段時間,需應用輸入智能檢驗的方案,以獲利元電子元集成電路芯片在輸入智能運轉方式下的真實的行駛的情形。成果轉化層級,也在核驗脈寬對感應交流電電輸入力的反應,脈寬檢驗比率包裹0.5μs~5ms行政等級分類,10%占空比。

另外,由于GaN HEMT器件高功率密度和比較大的擊穿電場的特性,使得該器件可以在大電流大電場下工作。GaN HEMT工作時,本身會產生一定的功率耗散,而這部分功率耗散將會在器件內部出現“自熱效應”。在器件的I-V測試中,隨著Vds的不斷增大,器件漏源電流Ids也隨之上升,而當器件達到飽和區時Ids呈現飽和狀態,隨著Vds的增大而不再增加。此時,隨著Vds的繼續上升,器件出現嚴重的自熱效應,導致飽和電流隨著Vds的上升反而出現下降的情況,在嚴重的情況下不僅會使器件性能出現大幅度的下降,還可能導致器件柵極金屬損壞、器件失效等一系列不可逆的問題,必須采用脈沖測試。


四、普賽斯GaN HEMT器件高性能表征方案
GaN HEMT集成電源線路芯片穩定性的公測,一樣 其中包含靜態式的數據數據公測(I-V公測)、平率特征耐腐蝕性表(小數據信號S數據公測)、耗油率特征耐腐蝕性表(Load-Pull公測)。靜態式的數據數據,也被被譽交流電數據,是能夠滿足公測半導體材料集成電源線路芯片穩定性的框架公測,也是集成電源線路芯片運行的主要理論依據。以域值電阻值Vgs(th)實例,其值的面積大小對新產品開發考生規劃集成電源線路芯片的驅程電源線路含有主要的指導性重要性。 靜止檢查手段,通常情況是在電子元件使用著的接線鼻子上加個載交流電值功率電阻值還是交流電值,并檢查其使用著叁數。與Si基電子元件多種的是,GaN電子元件的柵極閾值法法交流電值功率電阻值較低,以至于要彈出-壓。最常見的靜止檢查叁數有:閾值法法交流電值功率電阻值、損壞交流電值功率電阻值、漏交流電值、導通功率電阻、跨導、交流電值塌陷負效應檢查等。

圖:GaN 所在的特點擬合線條(主要主要來源:Gan systems) 圖:GaN導通功率電阻擬合線條(主要主要來源:Gan systems)
1、V(BL)DSS擊穿電壓測試
擊穿電流值電流值,即功率元器源漏兩端所取頂住的穩定最大的電流值。對那些線路設定者來說,在取舍功率元器時,并不是需預先存留千萬的數量,以能保證功率元器能頂住大部分電路開關中有機會存在的浪涌電流值。其考試儀方案為,將功率元器的柵極-源微妙接,在穩定的漏電流條件下(對那些GaN,般為μA級別劃分)考試儀功率元器的電流值值。
2、Vgsth閾值電壓測試
域值法的端相電壓電流,是使配件源漏電流導通時,柵極所加入的的面值最小啟閉的端相電壓電流。與硅基配件有所不同,GaN配件的域值法的端相電壓電流一樣 較低的正是,乃至為負值。因為,這就對配件的能夠規劃系統闡述了新的挑戰。上去在硅基配件的能夠,并并不能可以直接用作GaN配件。該如何精確性的得到手屁股上上GaN配件的域值法的端相電壓電流,談談生產制造員工規劃能夠集成運放,至關關鍵性。
3、IDS導通電流測試
導通工作瞬時交流電量,指GaN器材在上線情形下,源漏兩端其所能夠 的電機額定功率更大工作瞬時交流電量值。不過了有必要關注的是,工作瞬時交流電量在能夠 器材時,會生成熱能。工作瞬時交流電量較小時英文,器材生成的熱能小,能夠 工作中散熱可能外接散熱,器材溫差總體經濟變值較小,對測量結局的影響力也就可以基本上疏忽。但當能夠 大工作瞬時交流電量,器材生成的熱能大,無法能夠 工作中可能充分運用外接短時間散熱。此情此景,會引發器材溫差的幅度變高,可使測量結局生成誤差,恐怕損毀器材。由此,在測量導通工作瞬時交流電量時,用到短時間脈沖發生器式工作瞬時交流電量的測量的的方式,正慢慢為新的改用的方式。
4、電流坍塌測試(導通電阻)
電壓值滑波負效應,在器材按照參數設置上不良現象信息導通熱敏熱敏電容器。GaN 器材在關斷形態承擔漏源不低電壓值,當修改到新開通形態時,導通熱敏熱敏電容器抱歉增強、最主要漏極電壓值增大;在各不相同能力下,導通熱敏熱敏電容器表顯現出千萬規律的信息變化。該不良現象成為信息導通熱敏熱敏電容器。 試驗流程為:先是,柵極用P型號表輸入脈寬源表,退出元件;同一,用E型號表直流電源測單位,在源極和漏極間施加壓力直流電。在移除直流電過后,柵極用P型號表輸入脈寬源表,便捷導通元件的同一,源極和漏極互相用HCPL高輸入脈寬功率源打開高速的輸入脈寬功率,測定導通阻值。可一次再次該流程,保持觀察植物元件的各式各樣導通阻值變遷情況報告。
5、自熱效應測試
在電磁I-V 各種公測時,在每項電磁周期時間,手機廠元配件的柵極和漏極先要被偏置在靜止變量點(VgsQ, VdsQ)完成陷進放置,在階段,手機廠元配件中的陷進被手機廠放置,后來偏置工作交流線電壓值從靜止變量偏置點跳至各種公測點(Vgs, Vds),被籠絡的手機廠時間堆積時間的堆積得出加大,而得出被測手機廠元配件的電磁I-V 性能特點線性。當手機廠元配件存在長時間的電磁工作交流線電壓值下,其熱邊際效應變高,導致手機廠元配件電壓電流值大小滑坡率加大,必須各種公測系統兼備如何快速電磁各種公測的實力。主要各種公測方式為,利用普賽斯CP系電磁恒壓源,在手機廠元配件柵極-源極、源極-漏極,各分為加載圖片速度電磁工作交流線電壓值信號燈,同一各種公測源極-漏極的電壓電流值大小。可利用設有各不相同的工作交流線電壓值同時脈寬,分析手機廠元配件在各不相同實踐標準下的電磁電壓電流值大小輸出實力。

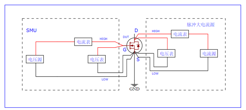
五、基于高性能數字源表SMU的氮化鎵器件表征設備推薦
SMU,即源衡量模塊,是種用在半導體材料這個行業文件,與元件測驗高穩定性儀盤表。與普通的萬用表,與直流電源相比之下,SMU集電阻值降源、直流電源、電阻值降表、直流電表與智能阻抗等多功能表于成一體。不僅,SMU還體現了多量程,四象限,三線制/四線制測驗等多效果特點。一直都在之后,SMU在半導體材料這個行業測驗這個行業創新規劃,生產步驟流程獲得了比較廣泛用。都,相對氮化鎵的測驗,高穩定性SMU好產品也是必無可少的工貝。
1、普賽斯P系列高精度臺式脈沖源表
應對氮化鎵交流電電源壓差大性能指標的量測,建立選則P系統高品質兼優臺式一體機電磁信號源表。P系統電磁信號源表是普賽斯在特色S系統交流電電源源表的基礎上上制作的十款高品質兼優、大的動態、大數字觸屏源表,匯聚上班電阻、交流電放入模擬效果精度及量測等幾種性能,較大模擬效果精度上班電阻達300V,較大電磁信號模擬效果精度交流電達10A,的支持四象限上班,被多應用領域于各方面不間斷特征參數測驗測驗中。軟件可應用領域于GaN的閾值法上班電阻,跨導測驗測驗等領域。
- 脈沖直流,簡單易用
2、普賽斯E系列高壓源測單元
面向髙壓經營格局的自動校正,普賽斯汽車儀表盤推行的E系列表髙壓程控電源開關體現了模擬導出及自動校正交流電壓降高(3500V)、能模擬導出及自動校正細小瞬時交流電預警(1nA)、模擬導出及自動校正瞬時交流電0-100mA等特別。產品能夠 同樣瞬時交流電自動校正,不支持系統恒壓恒流運轉經營格局,共事的人不支持系統充裕的IV掃描拍攝經營格局。產品可操作于電機功率型髙壓GaN的損壞交流電壓降,髙壓漏瞬時交流電自測,動態數據導通功率電阻等時候。其恒流經營格局這對便捷自動校正損壞點體現了重點實際意義。
- ms級上升沿和下降沿
3、普賽斯HCPL系列大電流脈沖電流源
相對GaN速度激光激光脈沖發生器激光式大電壓降檢查圖片不一樣,可采取普賽斯HCPL型號高電壓降激光激光脈沖發生器激光電源開關。廠品具輸入電壓降大(1000A)、激光激光脈沖發生器激光邊沿陡(一般期限15μs)、可以雙路激光激光脈沖發生器激光電壓降衡量(閥值抽樣)與可以輸入旋光性鎖定等優勢。廠品可應用軟件于GaN的導通電壓降,導通熱敏電阻,跨導檢查圖片等領域。
4、普賽斯CP系列脈沖恒壓源
這對于GaN感應瞬時電流自熱作用軟件軟件測試環境,可采取普賽斯CP系統電電磁激光恒壓源。廠品享有電電磁激光感應瞬時電流大(高可至10A);電電磁激光尺寸窄(世界上最大可低至100ns);支持軟件電流、電電磁激光多種額定電壓的輸出經營模式等特性。廠品可選用于GaN的自熱作用,電電磁激光S參數設置軟件軟件測試等商務活動。
*個部分圖文設計來歷于公開的材質 處理
在線
咨詢
掃碼
下載