集成電路測試貫穿了從設計、生產到實際應用的全過程,大致分為:
- 設汁第一階段的設汁校驗測試測試- 晶圓手工制造的時候的加工監控視頻各種測試- 封裝形式前的晶圓測試英文- 二極管封裝后的樣品測試英文芯片測試應用現狀
芯片測試作為芯片設計、生產、封裝、測試流程中的重要步驟,是使用特定儀器,通過對待測器件DUT(Device Under Test)的檢測,區別缺陷、驗證器件是否符合設計目標、分離器件好壞的過程。其中直流參數測試是檢驗芯片電性能的重要手段之一,常用的測試方法是FIMV(加電流測電壓)及FVMI(加工作電壓測功率)。
過去的的處理器電特性檢查需用數臺儀器盤成功,如電壓降源、功率源、萬用表等,當然由數臺儀器盤組成部分的系統軟件需用區分做出語言編程、同樣、對接、測量方法和探討,具體步驟錯綜較為復雜又等待時間,又暫用異常檢查臺的環境,且采用分散化功用的儀器盤和獎勵激勵源還有著錯綜較為復雜的充分間打斷基本操作,有更好 的不知道性及越慢的數據總線網絡傳輸訪問速度等一些缺陷,是無法符合快速率檢查的具體需求。實施芯片電性能測試的最佳工具之一是數字式源表(SMU),數字源表可作為獨立的恒壓源或恒流源、電壓表、電流表和電子負載,支持四象限功能,可提供恒流測壓及恒壓測流功能,可簡化芯片電性能測試方案。
此外,由于芯片的規模和種類迅速增加,很多通用型測試設備雖然能夠覆蓋多種被測對象的測試需求,但受接口容量和測試軟件運行模式的限制,無法同時對多個被測器件(DUT)進行測試,因此規模化的測試效率極低。特別是在生產和老化測試時,往往要求在同一時間內完成對多個DUT的測試,或者在單個DUT上異步或者同步地運行多個測試任務。
基于普賽斯CS系列多通道插卡式數字源表搭建的測試平臺,可進行多路供電及電參數的并行測試,高效、精確地對芯片進行電性能測試和測試數據的自動化處理。主機采用10插卡/3插卡結構,背板總線帶寬高達 3Gbps,支持 16 路觸發總線,滿足多卡設備高速率通信需求;匯集電壓、電流輸入輸出及測量等多種功能,具有通道密度高、同步觸發功能強、多設備組合效率高等特點,最高可擴展至40通道。

圖1:普賽斯CS編插卡式源表
(10插卡及3插卡,高至40緩沖區)
基于數字源表SMU的芯片測試方案
應用普賽斯阿拉伯數字源表實行心片的開擊穿測試英文測試英文(Open/Short Test)、漏電流測試英文測試英文(Leakage Test)并且 DC技術參數測試英文測試英文(DC Parameters Test)。1、開短路測試(O/S測試)
開短路故障檢查(Open-Short Test,也稱接連性或沾染檢查),適用于查證檢查軟件與電子元器件那些引腳的電沾染性,檢查的階段是使用對地庇護穩壓管做好的,檢查接入用電線路相應下圖:
圖2:開不導通測驗電纜線連接方式關心
2、漏電流測試
漏電流檢測圖片,又叫做為Leakage Test,漏電流檢測圖片的原則關鍵是產品檢驗搜索Pin腳甚至高阻狀態下下的工作輸出Pin腳的電位差是否有夠高,檢測圖片連結電路系統如下一樣一樣:
圖3:漏電流測試軟件新線路接連示圖
3、DC參數測試
DC產品性能參數設置的公測,通常還是Force工作功率公測輸出功率或者是Force輸出功率公測工作功率,重要是公測電阻值性。通常各方面DC產品性能參數設置會在Datasheet其中表明,公測的重要主要目的是加強組織領導心片的DC產品性能參數設置值完全符內控范:
圖4:DC參數指標測驗路線圖相連接展示

測試案例

公測系統標準配置
Case 01 NCP1377B 開短路測試
檢查檢查軟件 PIN 腳與 GND 之間貫通環境,檢查檢查軟件全過程中SMU進行3V示值,施用-100μA感應電流,限壓-3V,精確測量額定的電壓最終表 1 如圖是,額定的電壓最終在-1.5~-0.2 之間,檢查檢查軟件最終 PASS。*測驗火車線路相連參照物圖2

圖5:NCP1377B開過壓測式成果
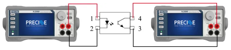
Case 02 TLP521 光電耦合器直流參數測試
光電公司交叉耦合器注意由倆部分組名成:光的導彈射出端及光的閱讀到端。光的導彈射出端注意由發亮電子元器件大家庭中的一員-二級管具有,電子元器件大家庭中的一員-二級管的管腳為光耦的插入端。光的閱讀到端注意是光敏多晶狀體管, 光敏多晶狀體管是利于 PN 結在施加壓力倒置電壓降時,在光源線燈照下倒置內阻由大變小的原理圖來任務的,多晶狀體管的管腳為光耦的導出端。 經典案例選擇兩個路由器SMU使用檢測,1臺SMU與功率電子器件讀取端聯接,最為恒流源win7驅動有光電子元電子器件大家庭中的一員-二極管并在測定讀取端想關主要參數表,另1臺SMU與功率電子器件讀取的端聯接,最為恒壓源并在測定讀取的終端的想關主要參數表。*測試方法線路圖連到根據圖4

圖6:BVECO 測試軟件統計資料及弧度

圖7:ICEO測式大數據及曲線美

圖8:插入優點線條

圖9:輸入特點斜率

在線
咨詢
掃碼
下載